1PS160-12MAVB 潤滑油用の冷却装置
  
  
    
    
      - ● 小形潤滑油冷却ユニット
 
      - ● オイルクーラー、ファン付
 
      - ● 8L樹脂タンク
 
      - ● 使用可能液粘度:500~21mm2/sec
 
      - ● 液温:15~80℃ 

 
 
■ポンプ仕様
  
    形式 
     | 
    50Hz 1500min-1 時 | 
    60Hz 1800min-1 時 | 
  
  
    | 理論吐出量 (L/min) | 
    
  
    TOP-11MAVB  | 
    2.2 | 
    2.7 | 
    
  
   TOP-12MAVB  | 
    3.7 | 
    4.5 | 
  
注1.モータに対する最高圧力はISO VG56 40℃の時の値です。
注2.リリーフバルブセット圧力:0.3MPa
■ポンプ用モータ仕様
  
    形式 
     | 
    出力(W) | 
    極数(P) | 
    電圧(V)  | 
    周波数(Hz) | 
    定格 | 
    絶縁 | 
    
  
    | 1PS160-2 | 
    160 | 
    4 | 
    200 | 
    50 
      60 | 
    連続 | 
    E | 
    
  
    |  220  | 
    60 | 
    
  
■オイルクーラー仕様(メーカーカタログ値)
  
    使用可能流体 
     | 
    使用最高圧力 | 
    交換熱量 | 
    圧力損出 | 
    
  
    | 一般鉱物油 | 
    1.0MPa | 
    流量 3L/時 440kcal/h(室温 +20℃時) | 
    0.01MPa(3L/min時) | 
    
■ファンモータ仕様
  
    形式 
     | 
    電圧(V) | 
    周波数(Hz) | 
    入力(W) | 
    回転数(min-1) | 
    電流(A) | 
    拘束電流(A) | 
  
  
    | UZS15D20-M | 
    200 | 
    50 | 
    35 | 
    2600 | 
    0.250 | 
    0.310 | 
  
  
    | 60 | 
    33 | 
    2950 | 
    0.210 | 
    0.270 | 
  
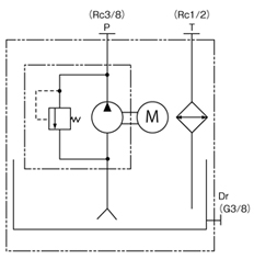
■回路図
 
■タンク仕様
  
    | 材質 | 
    セルロース・プロピオネート樹脂 グレード TP360A4000-12(透明) | 
    
  
    | タンク容量 | 
    約8L(90%時)、最低油量 4L | 
    
  
■納期
  
- *納期に関しては弊社、あるいは取扱店にご相談ください。
 
 
●トロコイド®ポンプは日本オイルポンプ株式会社の日本およびその他の国における登録商標です。